更新時間:2025-11-03
點擊次數:27
防爆氣象多參數儀:憑借防爆特質深入易燃易爆高危場域,捕捉多類氣象參數【型號推薦:TW-WFB5,物聯網一體化設備,天蔚環境支持定制服務】在石油化工、天然氣開采、煤炭礦井等易燃易爆高危場域,氣象條件的細微波動都可能成為引發災難——瓦斯濃度隨溫度濕度變化而起伏,靜電積聚因空氣干燥加劇,通風不暢導致有害氣體積聚。傳統氣象監測設備因缺乏防爆設計,難以深入此類危險環境穩定作業。防爆氣象多參數儀憑借本質安全型防爆結構與高密封性外殼,通過隔爆、增安、本安等多重防爆技術,有效阻隔內部電火花或高溫部件與外部易燃物質的接觸,確保在爆炸性氣體或粉塵環境中安全運行。其集成溫濕度、氣壓、風速、風向、雨量等多類傳感器,可同步捕捉環境中的氣象參數變化,并通過抗干擾通信模塊實時傳輸數據,為高危場域的通風管理、安全預警、作業調度提供精準依據,成為守護高危行業安全生產的關鍵“氣象哨兵"。

一、產品簡介
我司作為專業研發生產銷售一體化防爆氣象傳感器的企業,一直致力于微型氣象儀和氣象環境解決方案推廣應用。具有完整的生產鏈、實力雄厚的技術團隊和全面的營銷團隊,我們研發生產的超聲波防爆風速風向儀、防爆五要素微氣象儀等氣象產品,已廣泛應用到化工廠、油庫、隧道、礦井等領域,客戶遍布全國各地,并取得了良好的社會效益和經濟效益。
與傳統的微型氣象儀相比,我司產品克服了對高精度計時器的需求,避免了因傳感器啟動延時、解調電路延時、溫度變化而造成的測量不準問題。
WFB5型防爆五要素微氣象儀創新性地將風速、風向、溫度、濕度、大氣壓力通過一個高集成度結構來實現,可實現戶外氣象參數24小時連續在線監測,通過數字量通訊接口將五項參數一次性輸出給用戶。
二、產品特點
1、頂蓋隱藏式超聲波探頭,避免雨雪堆積的干擾,避免自然風遮擋☆
2、原理為發射連續變頻超聲波信號,通過測量相對相位來檢測風速風向☆
3、風速、風向、溫度、濕度、大氣壓力五要素一體式☆
4、采用先進的傳感技術,實時測量,無啟動風速☆
5、抗干擾能力強,具有看門狗電路,自動復位功能,保證系統穩定運行
6、高集成度,無移動部件,零磨損
7、免維護,無需現場校準
8、采用ASA工程塑料室外應用常年不變色
9、產品設計輸出信號標配為RS485通訊接口(MODBUS協議);可選配232、USB、以太網接口,支持數據實時讀取☆
10、可選配無線傳輸模塊,最小傳輸間隔1分鐘
11、探頭為卡扣式設計,解決了運輸、安裝過程松動不準的問題☆
三、技術參數
1、風速:測量原理超聲波,0~60m/s(±0.1m/s)分辨率0.01m/s;
2、風向:測量原理超聲波,0~360°(±2°);分辨率:1°;
3、空氣溫度:測量原理二極管結電壓法,-40-60℃(±0.3℃),分辨率0.01℃;
4、空氣濕度:測量原理電容式,0-100%RH(±3%RH),分辨率:0.1%RH;
5、大氣壓力:測量原理壓阻式,300-1100hpa(±0.25%),分辨率0.1hpa;
6、生產企業具有ISO質量管理體系、環境管理體系和職業健康管理體系認證☆
7、生產企業具有計算機軟件注冊證書☆
8、生產企業為3Aji信用企業☆
9、生產企業具有Ex ia IIC T6 Ga高等級防爆證書☆
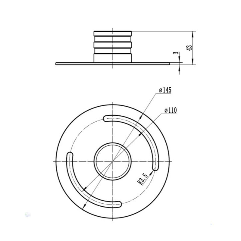
四、產品尺寸圖
五、產品結構圖

1、控制電路
2、指北箭頭
3、超聲波探頭
4、百葉箱
5、溫度、濕度、氣壓監測位置
6、底部固定法蘭
※此產品可選配電子羅盤、GPRS(內置)/GPS(二選一)
六、產品接線定義
VCC:棕色,GND:黑色,485A:綠色,485B:藍色
七、法蘭盤固定方式
1、微氣象儀
2、固定螺釘
3、通信電纜+航插
法蘭盤尺寸